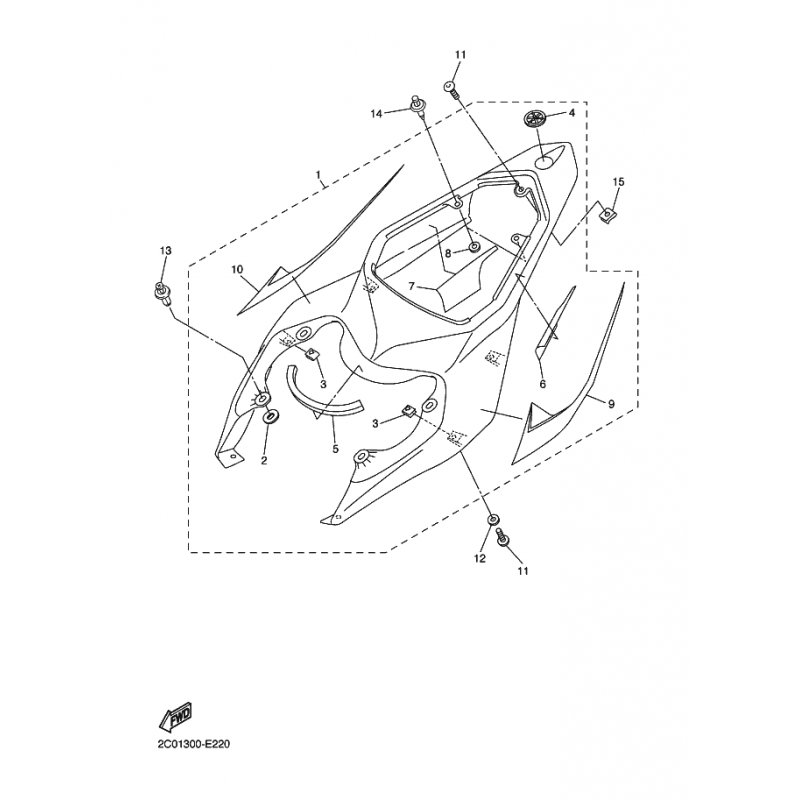
SEITENDECKELEINHEIT 1
Artikelname: SEITENDECKELEINHEIT 1
Hersteller: Yamaha
OEM Nummer: 2C02171000P2
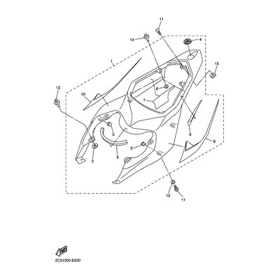
Hersteller: Yamaha
OEM Nummer: 2C02171000P2






















