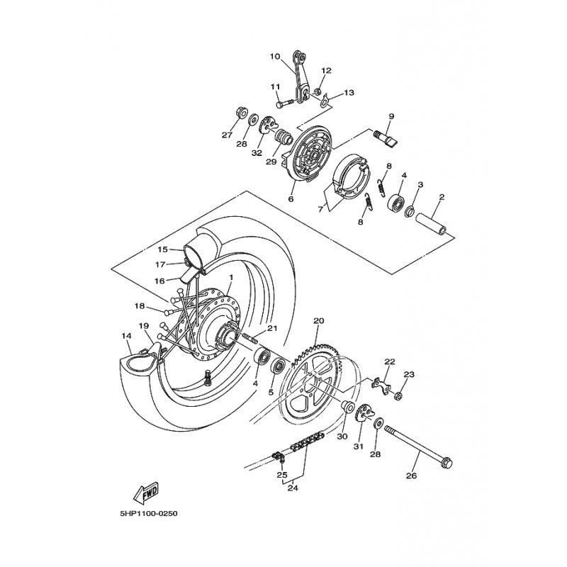
SCHEIBE
Artikelname: SCHEIBE
Hersteller: Yamaha
OEM Nummer: 2AL254120000
Hersteller: Yamaha
OEM Nummer: 2AL254120000




















