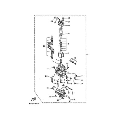
VERGASEREINHEIT 1
Artikelname: VERGASEREINHEIT 1
OEM: 2YY-14101-00 [2YY141010000]
OEM: 2YY-14101-00 [2YY141010000]




















