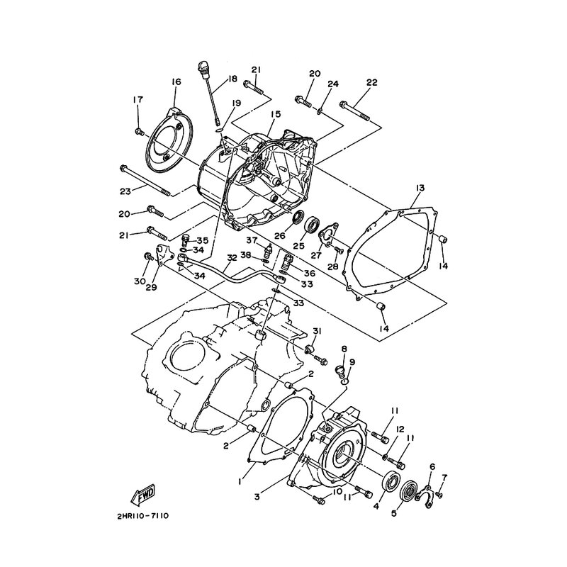
PLATTE, LAGERDECKEL
Artikelname: PLATTE, LAGERDECKEL
OEM: 2VA-15381-00 [2VA153810000]
OEM: 2VA-15381-00 [2VA153810000]




















