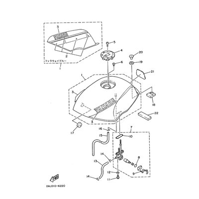
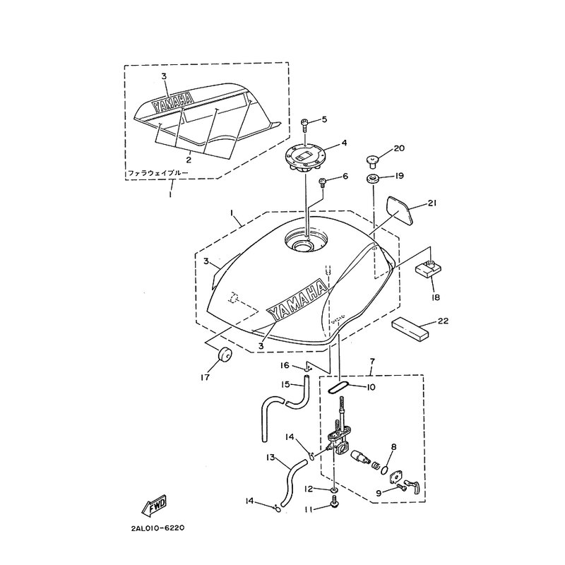
ZIERVERKLEIDUNG, ABDECKUNG
Artikelname: ZIERVERKLEIDUNG, ABDECKUNG
OEM: 2AL-2414H-00 [2AL2414H0000]
OEM: 2AL-2414H-00 [2AL2414H0000]




















