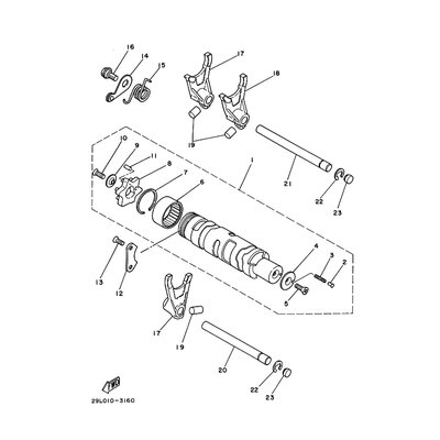
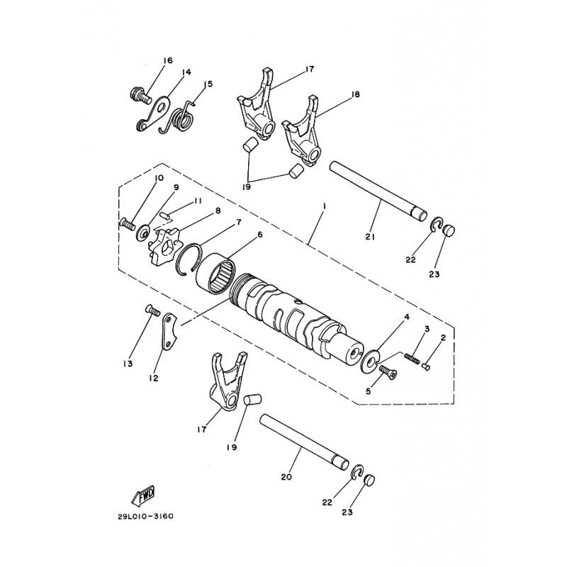
STANGE, SCHALTGABELFUHRUNG
Artikelname: STANGE, SCHALTGABELFUHRUNG
Hersteller: Yamaha
OEM Nummer: 29L185350000
Hersteller: Yamaha
OEM Nummer: 29L185350000




















