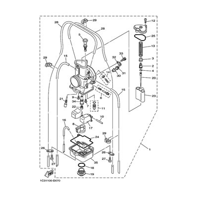
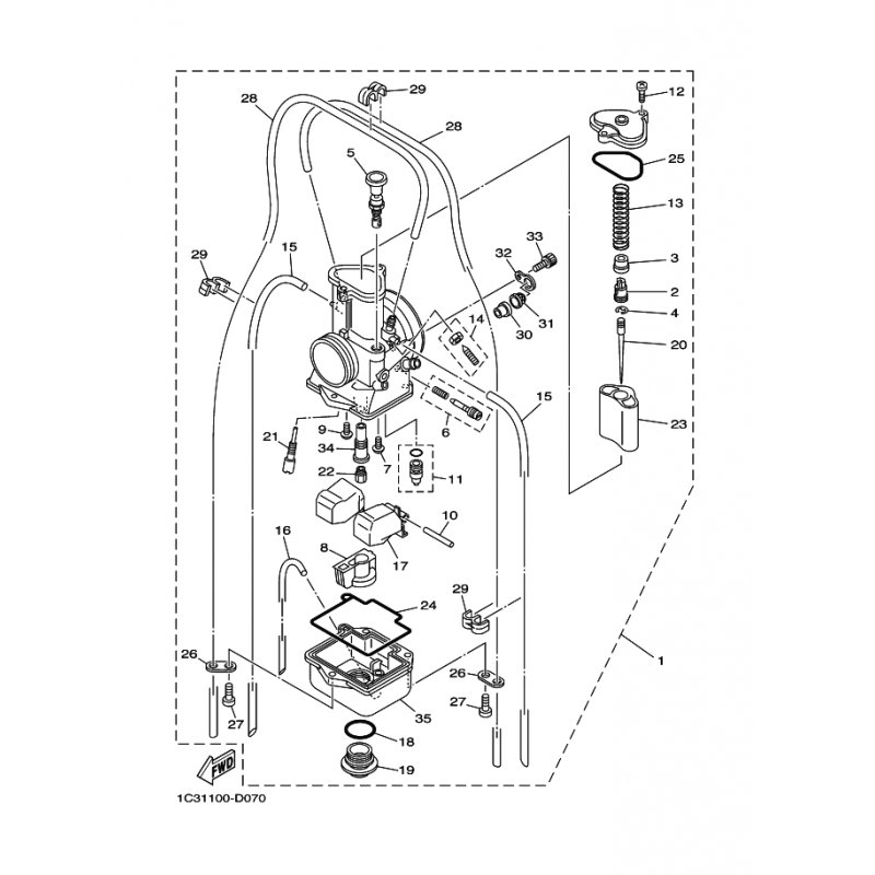
NADEL
Artikelname: NADEL
Hersteller: Yamaha
OEM Nummer: 28414116H500
Hersteller: Yamaha
OEM Nummer: 28414116H500




















