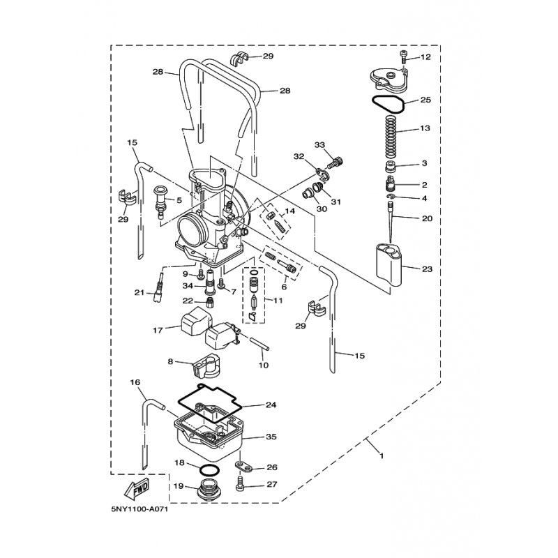
NADEL
Artikelname: NADEL
Hersteller: Yamaha
OEM Nummer: 28414116F700
Hersteller: Yamaha
OEM Nummer: 28414116F700




















