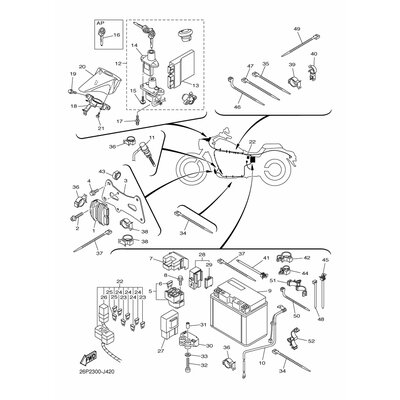
ABDECKUNG, HAUPTSCHALTER
Artikelname: ABDECKUNG, HAUPTSCHALTER
Hersteller: Yamaha
OEM Nummer: 26P825680000
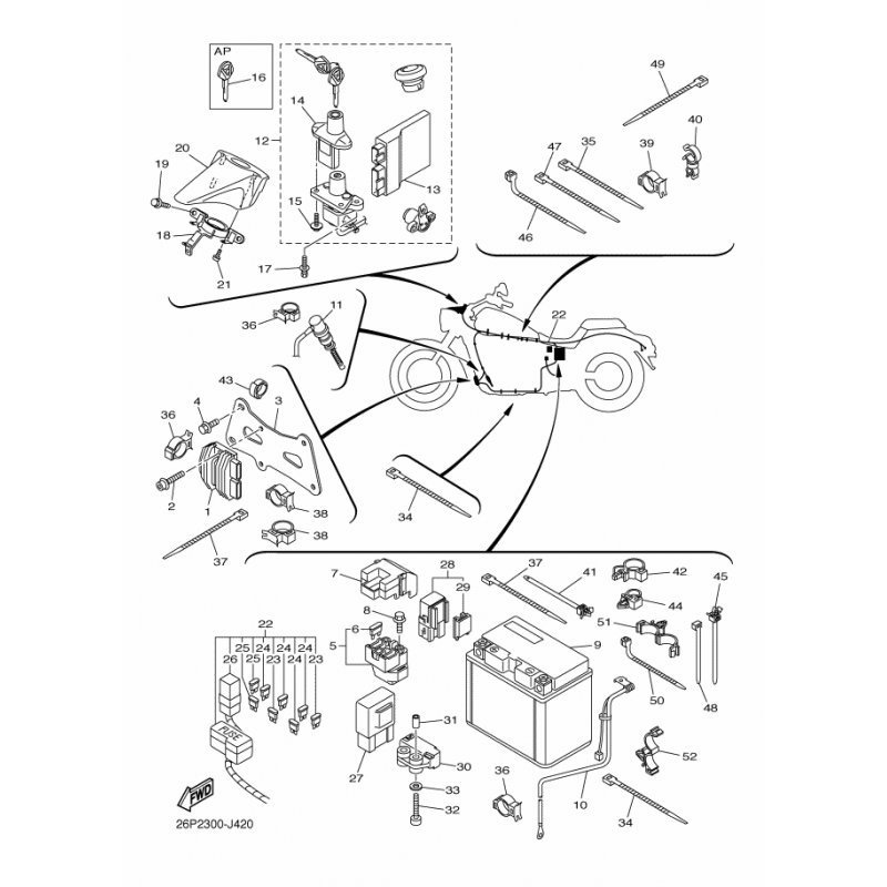
Hersteller: Yamaha
OEM Nummer: 26P825680000






















