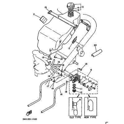
VENTIL
Artikelname: VENTIL
Hersteller: Yamaha
OEM Nummer: 266245230000
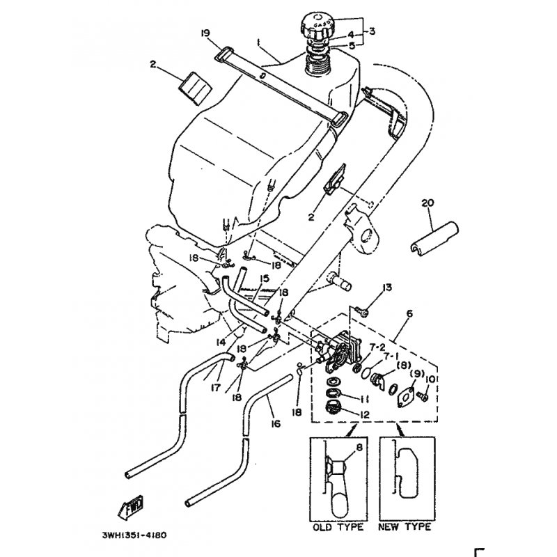
Hersteller: Yamaha
OEM Nummer: 266245230000






















