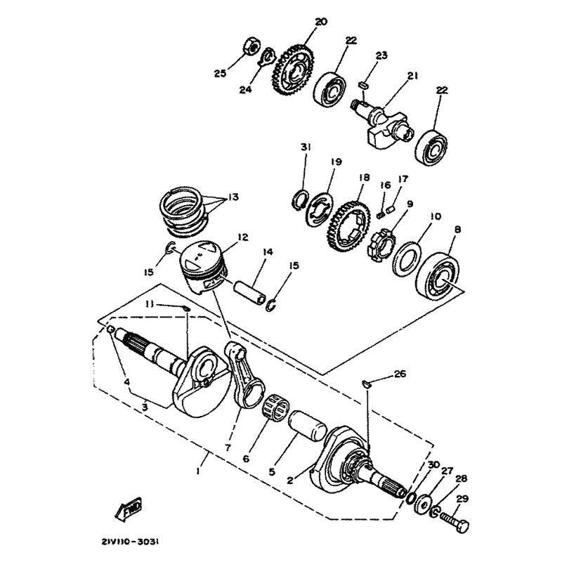
KURBELWELLENGRUPPE
Artikelname: KURBELWELLENGRUPPE
OEM: 24W-11400-00 [24W114000000]
OEM: 24W-11400-00 [24W114000000]




















