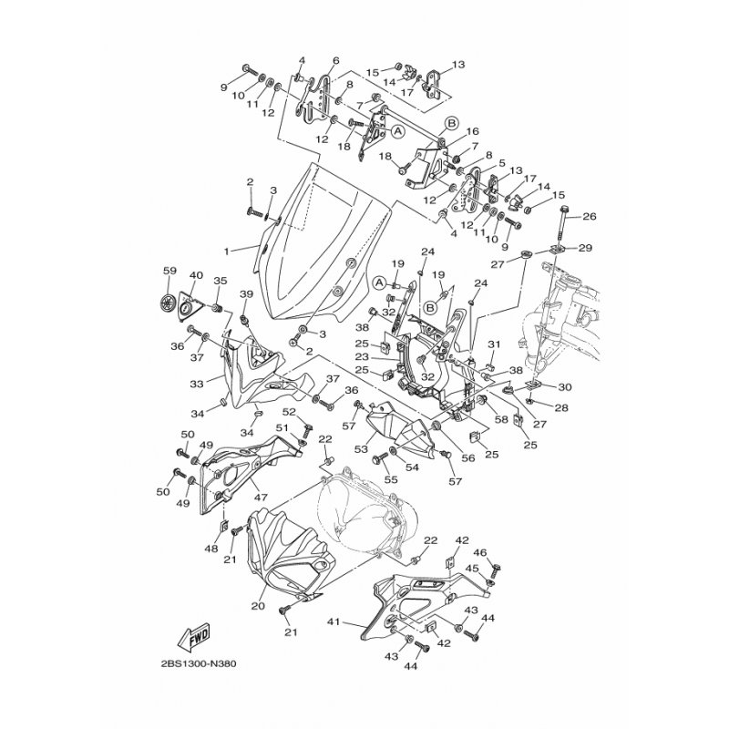
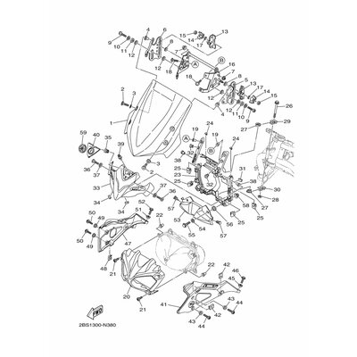
BAND
Artikelname: BAND
Hersteller: Yamaha
OEM Nummer: 23P283440000
Hersteller: Yamaha
OEM Nummer: 23P283440000






















