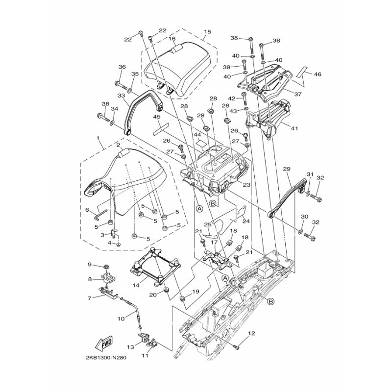
TRAGER, VORNE
Artikelname: TRAGER, VORNE
Hersteller: Yamaha
OEM Nummer: 23P248411000
Hersteller: Yamaha
OEM Nummer: 23P248411000






















