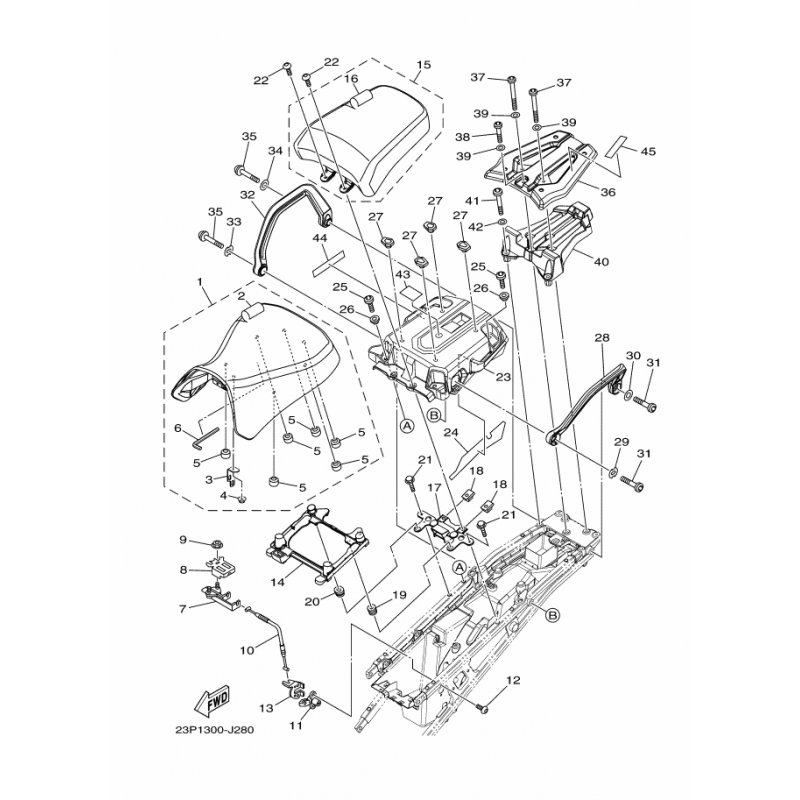
DECKEL, TANDEMSITZ
Artikelname: DECKEL, TANDEMSITZ
Hersteller: Yamaha
OEM Nummer: 23P247510000
Dieser Artikel wurde durch folgenden ersetzt: 23P247510100
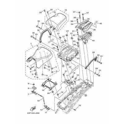
Hersteller: Yamaha
OEM Nummer: 23P247510000
Dieser Artikel wurde durch folgenden ersetzt: 23P247510100




















