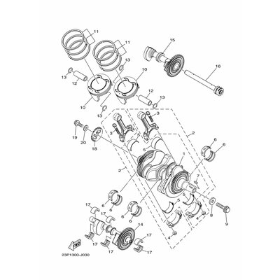
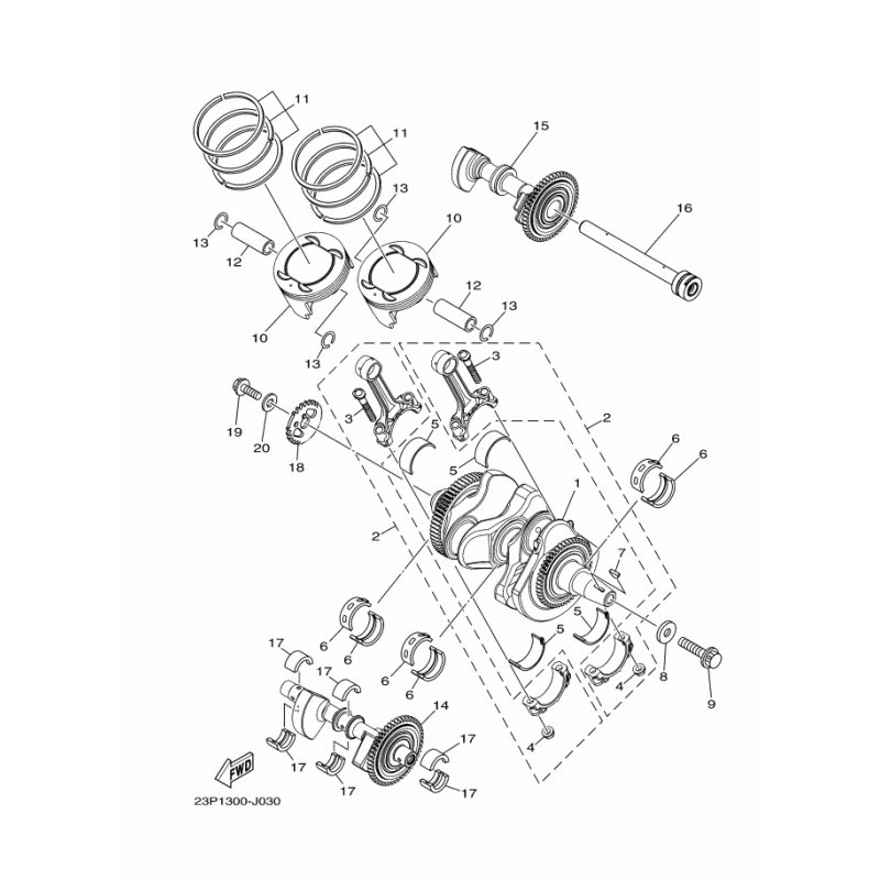
PLEUELSTANGENGRUPPE
Artikelname: PLEUELSTANGENGRUPPE
Hersteller: Yamaha
OEM Nummer: 23P116500000
Hersteller: Yamaha
OEM Nummer: 23P116500000




















