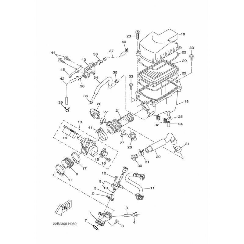
FORM SCHLAUCH
Artikelname: FORM SCHLAUCH
Hersteller: Yamaha
OEM Nummer: 22BE48810000
Hersteller: Yamaha
OEM Nummer: 22BE48810000




















