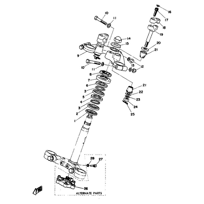
LENKER-DAMPFUNGSEINHEIT
Artikelname: LENKER-DAMPFUNGSEINHEIT
Hersteller: Yamaha
OEM Nummer: 214234900000
Dieser Artikel wurde durch folgenden ersetzt: 5G2234900000
Hersteller: Yamaha
OEM Nummer: 214234900000
Dieser Artikel wurde durch folgenden ersetzt: 5G2234900000






















