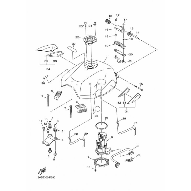
TANK SIDE COVER ASSY
Artikelname: TANK SIDE COVER ASSY
Hersteller: Yamaha
OEM Nummer: 20S241060100
Hersteller: Yamaha
OEM Nummer: 20S241060100






















