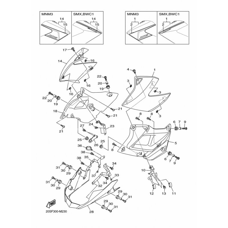
GRAFIK 2
Artikelname: GRAFIK 2
Hersteller: Yamaha
OEM Nummer: 20S2165D1000
Hersteller: Yamaha
OEM Nummer: 20S2165D1000






















