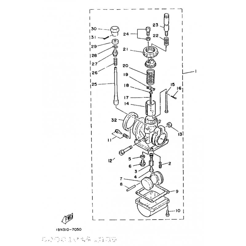
SCHWIMMER
Artikelname: SCHWIMMER
Hersteller: Yamaha
OEM Nummer: 205141850000
Hersteller: Yamaha
OEM Nummer: 205141850000




















