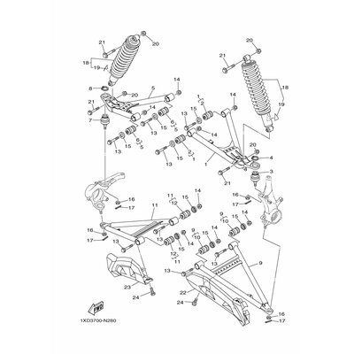
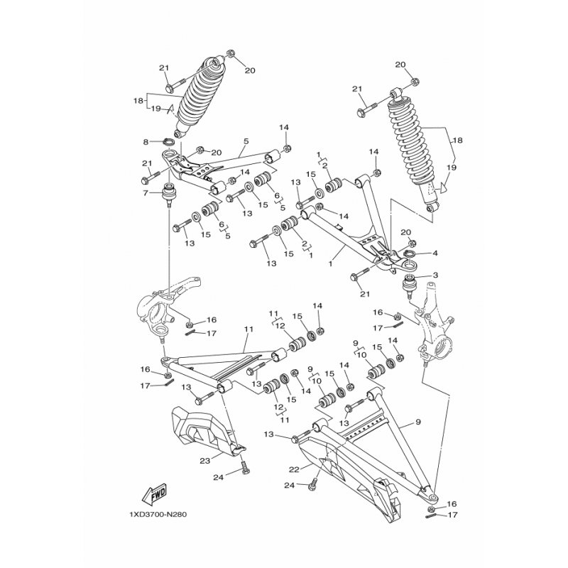
V. QUERLENKER KOMP.
Artikelname: V. QUERLENKER KOMP.
Hersteller: Yamaha
OEM Nummer: 1XDF35700000
Hersteller: Yamaha
OEM Nummer: 1XDF35700000




















