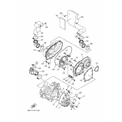
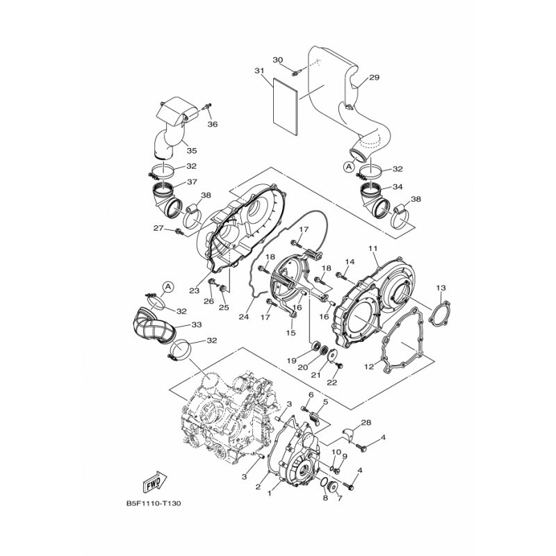
LUFTKANAL
Artikelname: LUFTKANAL
Hersteller: Yamaha
OEM Nummer: 1XDE54770100
Hersteller: Yamaha
OEM Nummer: 1XDE54770100






















