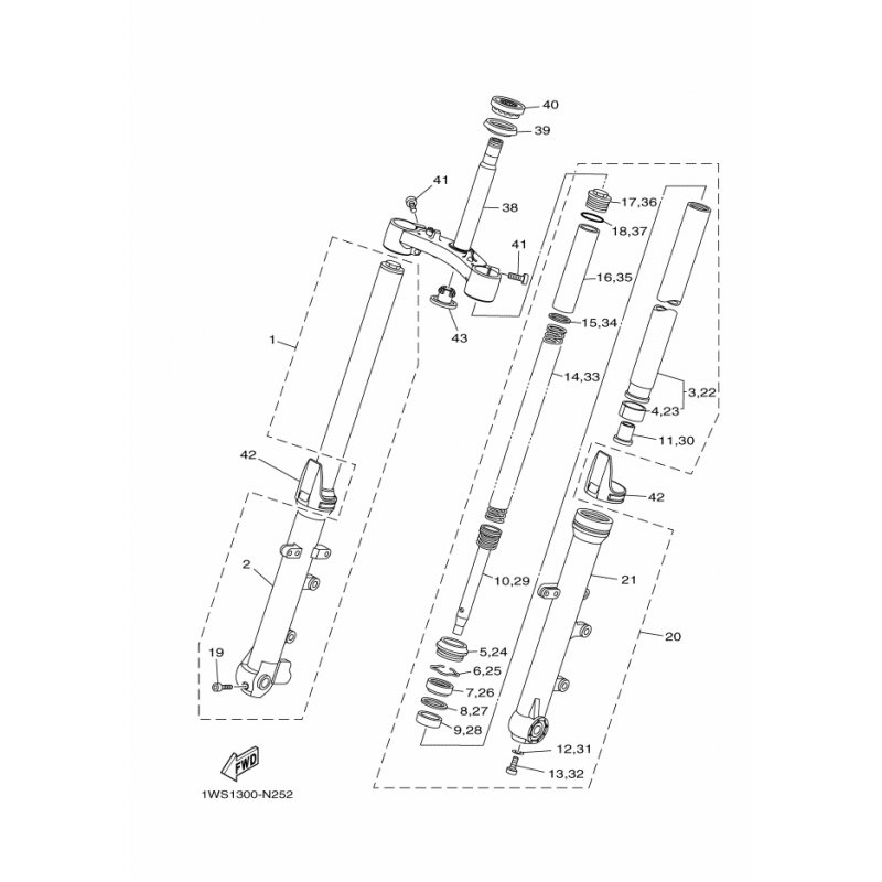
AUSSERES ROHR 2
Artikelname: AUSSERES ROHR 2
Hersteller: Yamaha
OEM Nummer: 1XB231360000
Dieser Artikel wurde durch folgenden ersetzt: 1XB231360100
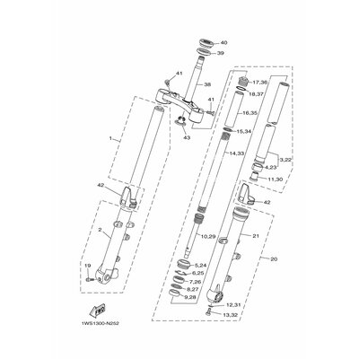
Hersteller: Yamaha
OEM Nummer: 1XB231360000
Dieser Artikel wurde durch folgenden ersetzt: 1XB231360100




















