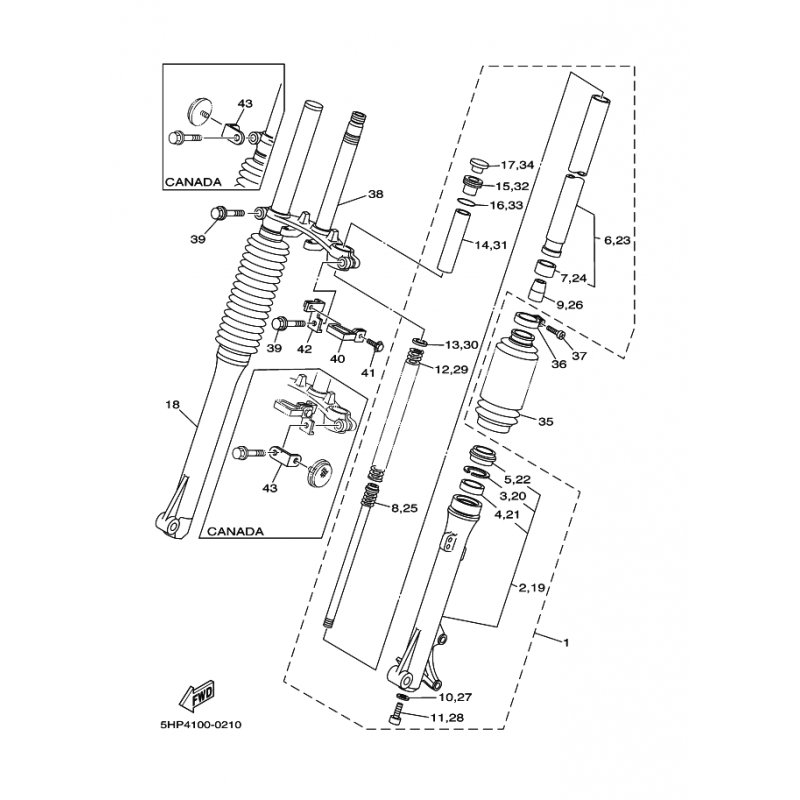
DECKKAPPE, VORDERRADGABEL
Artikelname: DECKKAPPE, VORDERRADGABEL
Hersteller: Yamaha
OEM Nummer: 1X0231680000
Hersteller: Yamaha
OEM Nummer: 1X0231680000






















