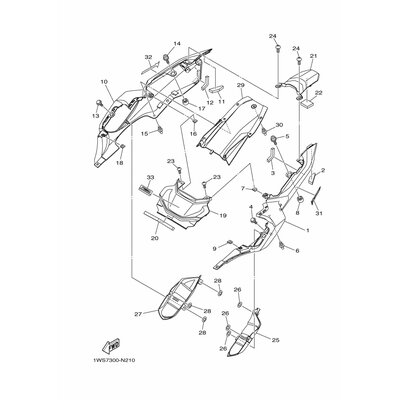
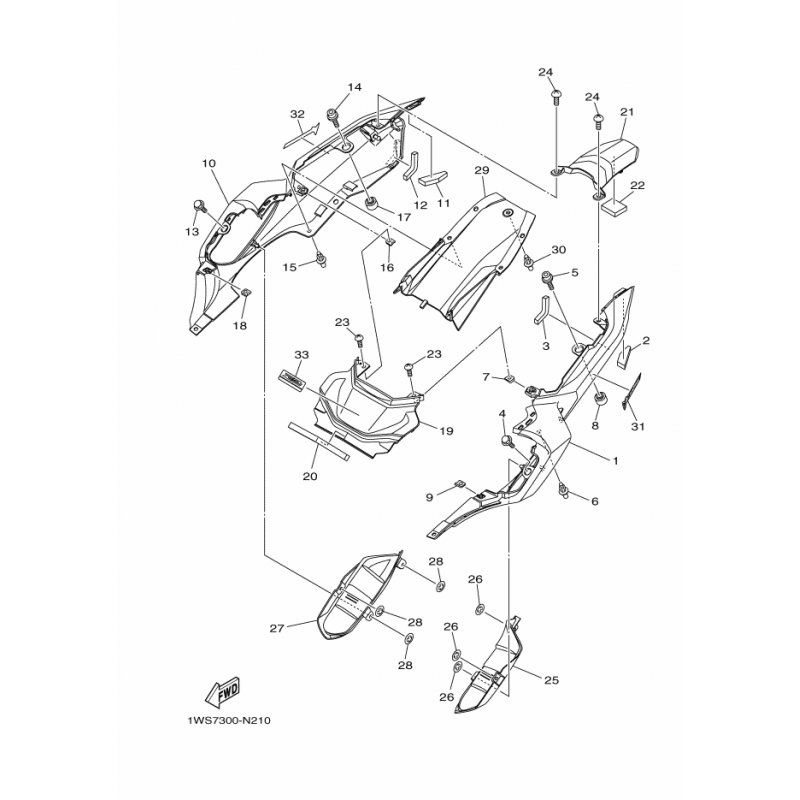
EMBLEM 2
Artikelname: EMBLEM 2
Hersteller: Yamaha
OEM Nummer: 1WS217823000
Hersteller: Yamaha
OEM Nummer: 1WS217823000






















