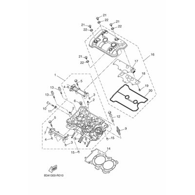
DICHTUNG, ZYL. KOPFDECKEL 1
Artikelname: DICHTUNG, ZYL. KOPFDECKEL 1
Hersteller: Yamaha
OEM Nummer: 1WS111930100
Hersteller: Yamaha
OEM Nummer: 1WS111930100





















