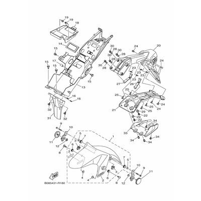
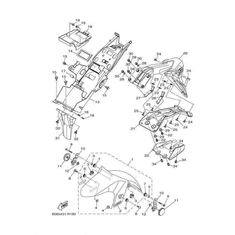
VORDERRADKOTFLUGEL
Artikelname: VORDERRADKOTFLUGEL
Hersteller: Yamaha
OEM Nummer: 1WDXF15160P0
Hersteller: Yamaha
OEM Nummer: 1WDXF15160P0






















