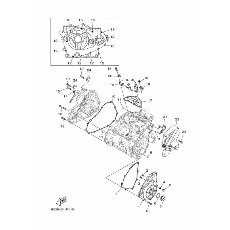
DECKEL, KURBELGEHAUSE 1
Artikelname: DECKEL, KURBELGEHAUSE 1
Hersteller: Yamaha
OEM Nummer: 1WDE54110000
Hersteller: Yamaha
OEM Nummer: 1WDE54110000






















