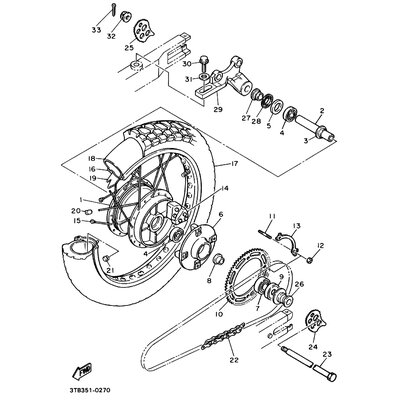
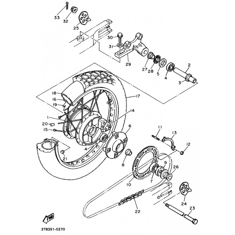
HULSE, RAD
Artikelname: HULSE, RAD
Hersteller: Yamaha
OEM Nummer: 1VJ253770000
Hersteller: Yamaha
OEM Nummer: 1VJ253770000




















