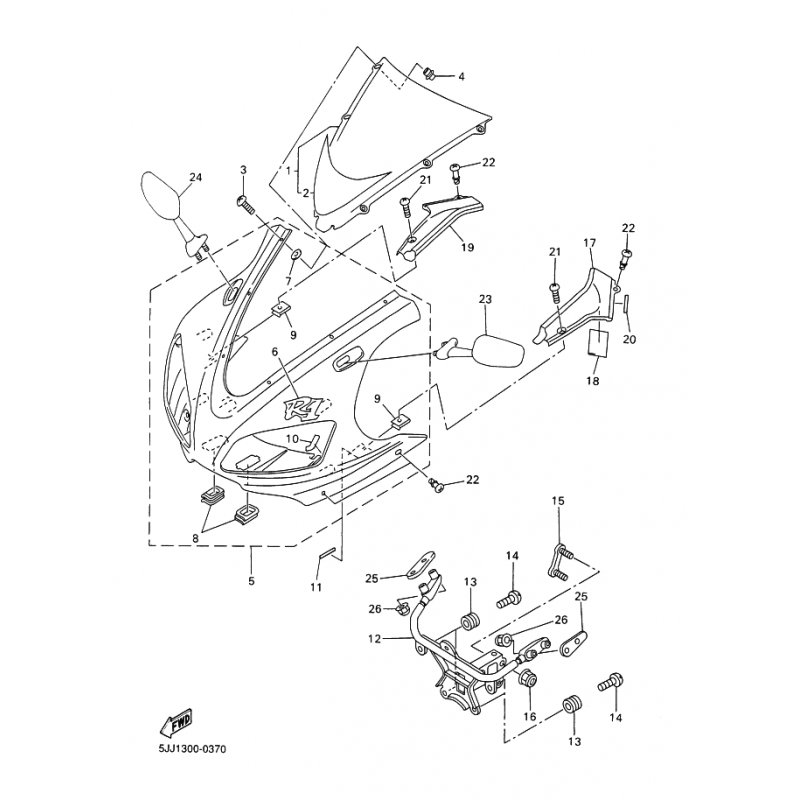
DAMPFER
Artikelname: DAMPFER
Hersteller: Yamaha
OEM Nummer: 1TX283710000
Hersteller: Yamaha
OEM Nummer: 1TX283710000




















