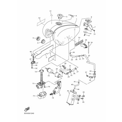
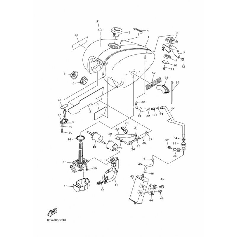
SCHUTZ, KRAFTSTOFFTANK
Artikelname: SCHUTZ, KRAFTSTOFFTANK
Hersteller: Yamaha
OEM Nummer: 1TP241410100
Hersteller: Yamaha
OEM Nummer: 1TP241410100




















