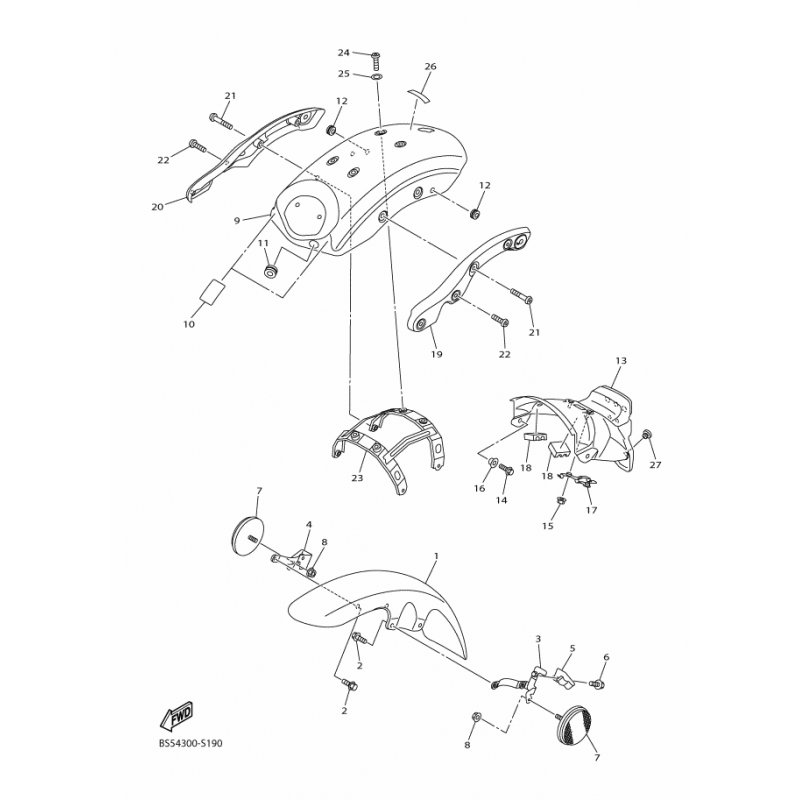
HINTERRAD-KOTFLUGEL KOMPL.
Artikelname: HINTERRAD-KOTFLUGEL KOMPL.
Hersteller: Yamaha
OEM Nummer: 1TP2161001P7
Hersteller: Yamaha
OEM Nummer: 1TP2161001P7






















