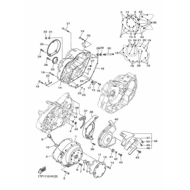
DECKEL, LICHTMASCHINE
Artikelname: DECKEL, LICHTMASCHINE
Hersteller: Yamaha
OEM Nummer: 1TP154150000
Dieser Artikel wurde durch folgenden ersetzt: 1TP154150100
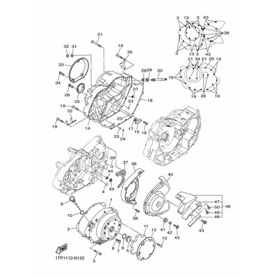
Hersteller: Yamaha
OEM Nummer: 1TP154150000
Dieser Artikel wurde durch folgenden ersetzt: 1TP154150100






















