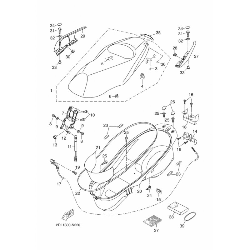
ARM
Artikelname: ARM
Hersteller: Yamaha
OEM Nummer: 1SDF474E0000
Hersteller: Yamaha
OEM Nummer: 1SDF474E0000




















