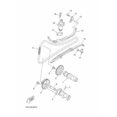
FUHRUNG, ANSCHLAG 2
Artikelname: FUHRUNG, ANSCHLAG 2
Hersteller: Yamaha
OEM Nummer: 1SDE22410000
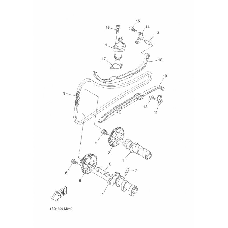
Hersteller: Yamaha
OEM Nummer: 1SDE22410000






















