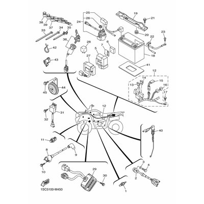
KONTROLLAMPE KOMPL. 1
Artikelname: KONTROLLAMPE KOMPL. 1
Hersteller: Yamaha
OEM Nummer: 1SCH43011000
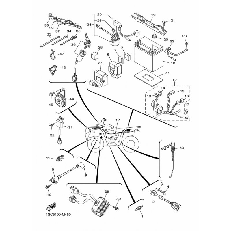
Hersteller: Yamaha
OEM Nummer: 1SCH43011000






















