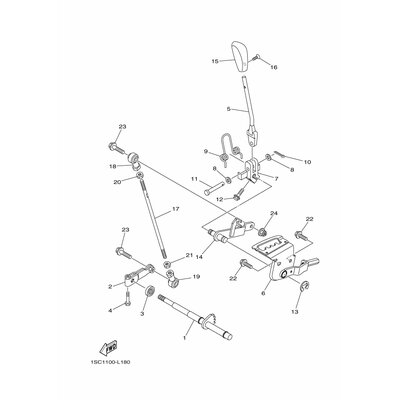
VERBINDUNG, STANGE 2
Artikelname: VERBINDUNG, STANGE 2
Hersteller: Yamaha
OEM Nummer: 1SCE81170000
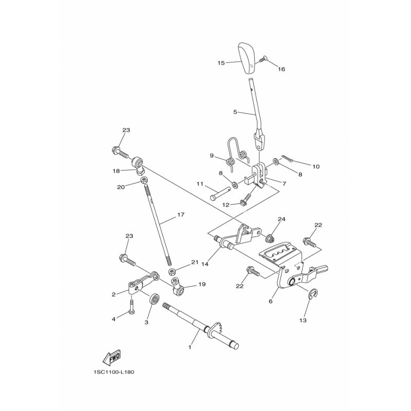
Hersteller: Yamaha
OEM Nummer: 1SCE81170000




















