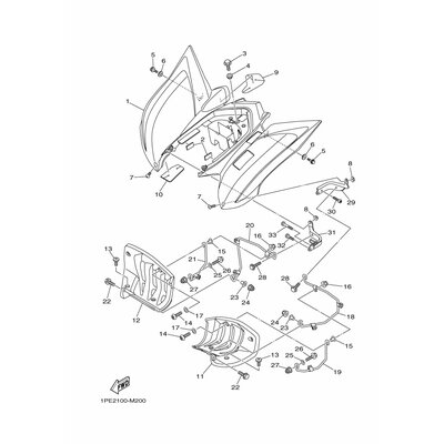
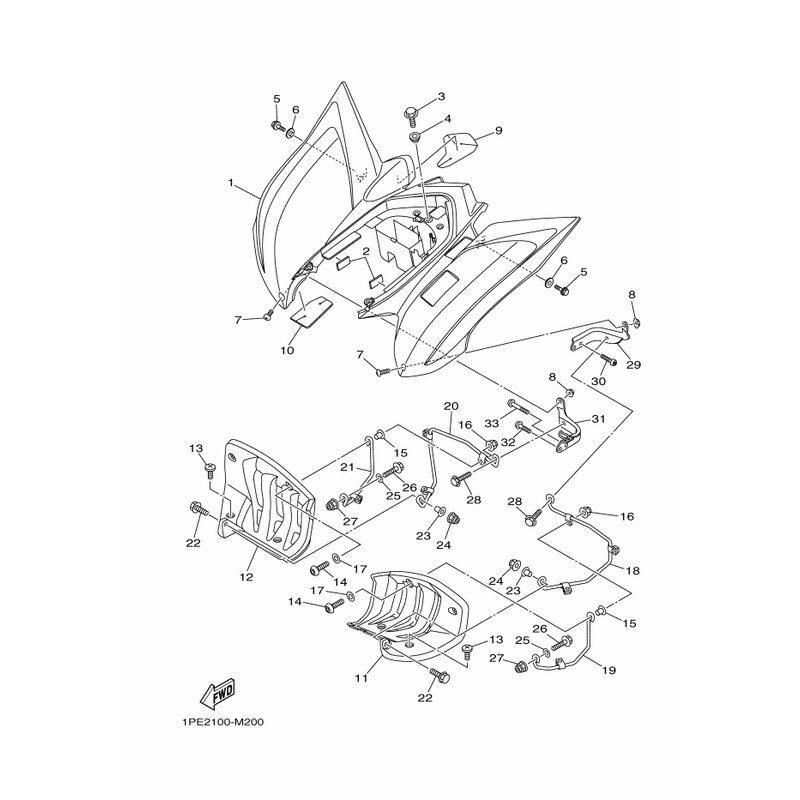
STUTZE 4
Artikelname: STUTZE 4
Hersteller: Yamaha
OEM Nummer: 1S32164J2000
Hersteller: Yamaha
OEM Nummer: 1S32164J2000




















