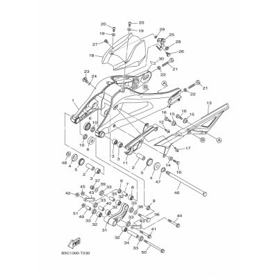
ARM 1
Artikelname: ARM 1
Hersteller: Yamaha
OEM Nummer: 1RC2217M0000
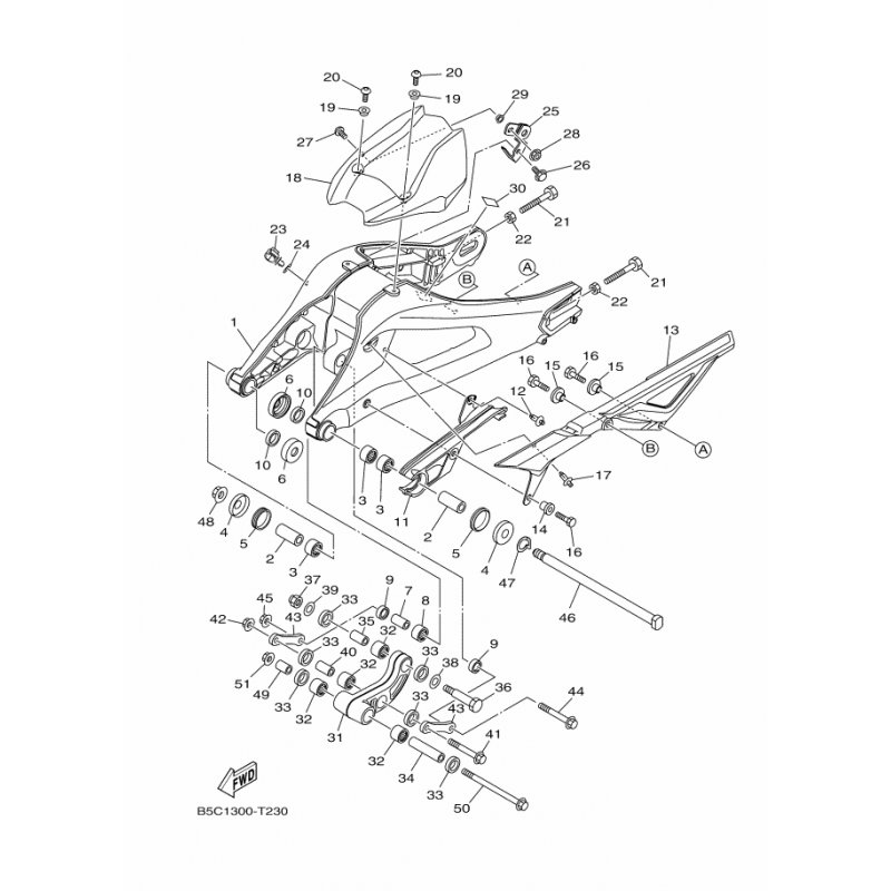
Hersteller: Yamaha
OEM Nummer: 1RC2217M0000




















