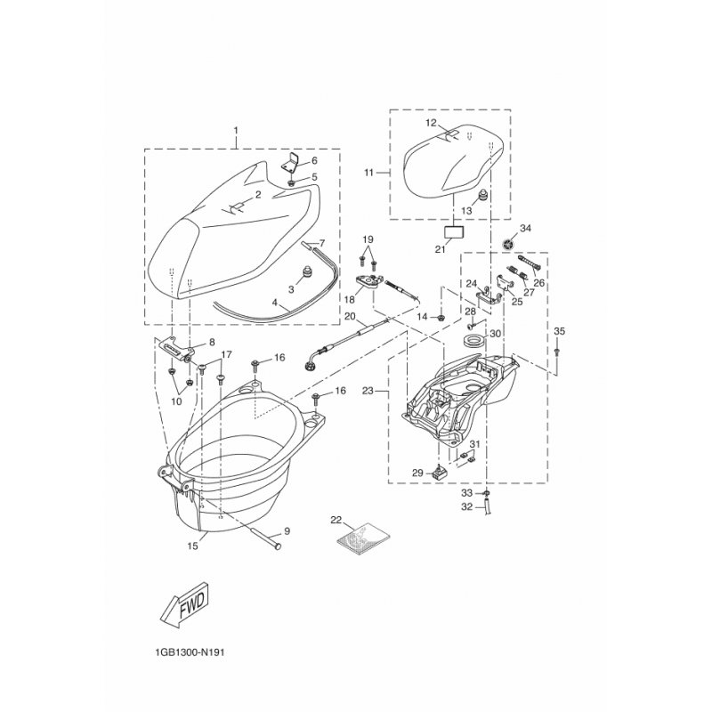
KONSOLE, SITZHAKEN
Artikelname: KONSOLE, SITZHAKEN
Hersteller: Yamaha
OEM Nummer: 1PHF478X0000
Hersteller: Yamaha
OEM Nummer: 1PHF478X0000




















