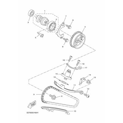
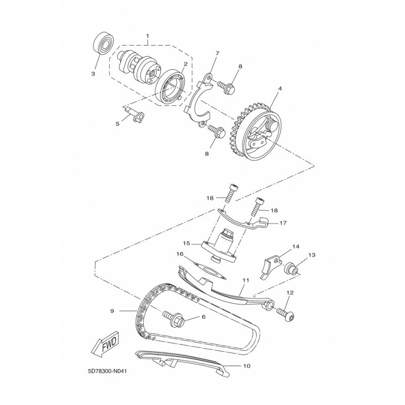
FUHRUNG, ANSCHLAG 1
Artikelname: FUHRUNG, ANSCHLAG 1
Hersteller: Yamaha
OEM Nummer: 1PAE22310000
Hersteller: Yamaha
OEM Nummer: 1PAE22310000





















