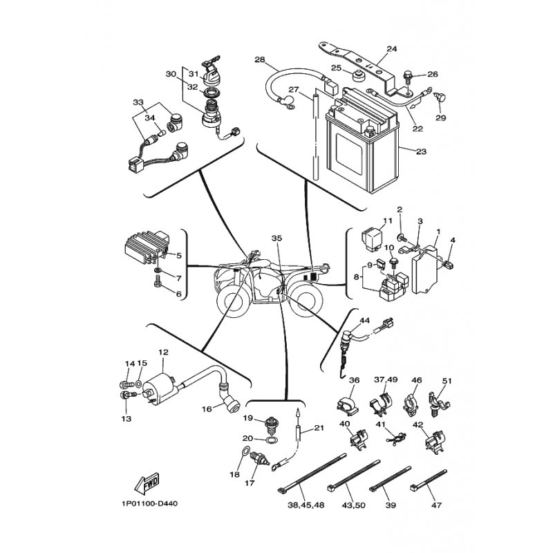
NEGATIVES KABEL
Artikelname: NEGATIVES KABEL
Hersteller: Yamaha
OEM Nummer: 1P0H21160000
Hersteller: Yamaha
OEM Nummer: 1P0H21160000




















