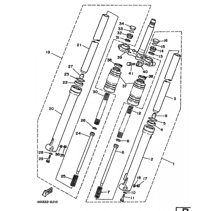
GABELBEIN (RECHTS)
Artikelname: GABELBEIN (RECHTS)
Hersteller: Yamaha
OEM Nummer: 1NNF3103W000
Dieser Artikel wurde durch folgenden ersetzt: 1NNF31030000
Hersteller: Yamaha
OEM Nummer: 1NNF3103W000
Dieser Artikel wurde durch folgenden ersetzt: 1NNF31030000






















