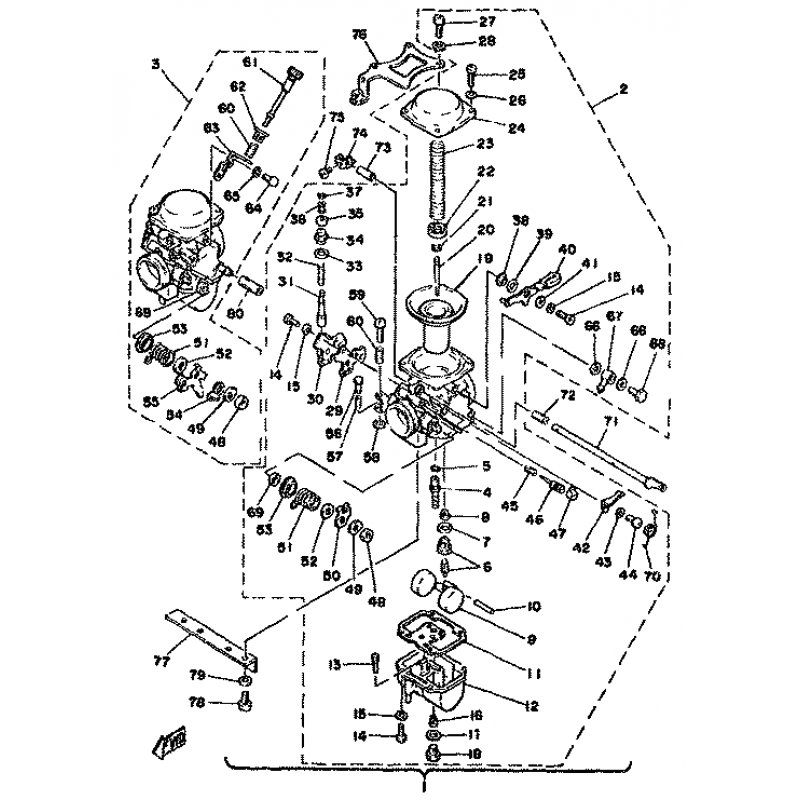
SCHEIBE
Artikelname: SCHEIBE
Hersteller: Yamaha
OEM Nummer: 1L9149520000
Dieser Artikel wurde durch folgenden ersetzt: 256149560100
Hersteller: Yamaha
OEM Nummer: 1L9149520000
Dieser Artikel wurde durch folgenden ersetzt: 256149560100






















