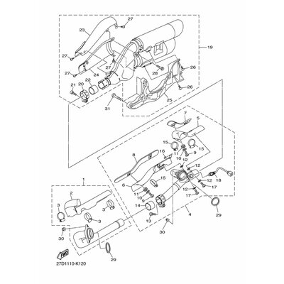
SCHUTZ, SCHALLDAMPFER
Artikelname: SCHUTZ, SCHALLDAMPFER
Hersteller: Yamaha
OEM Nummer: 1GP147581000
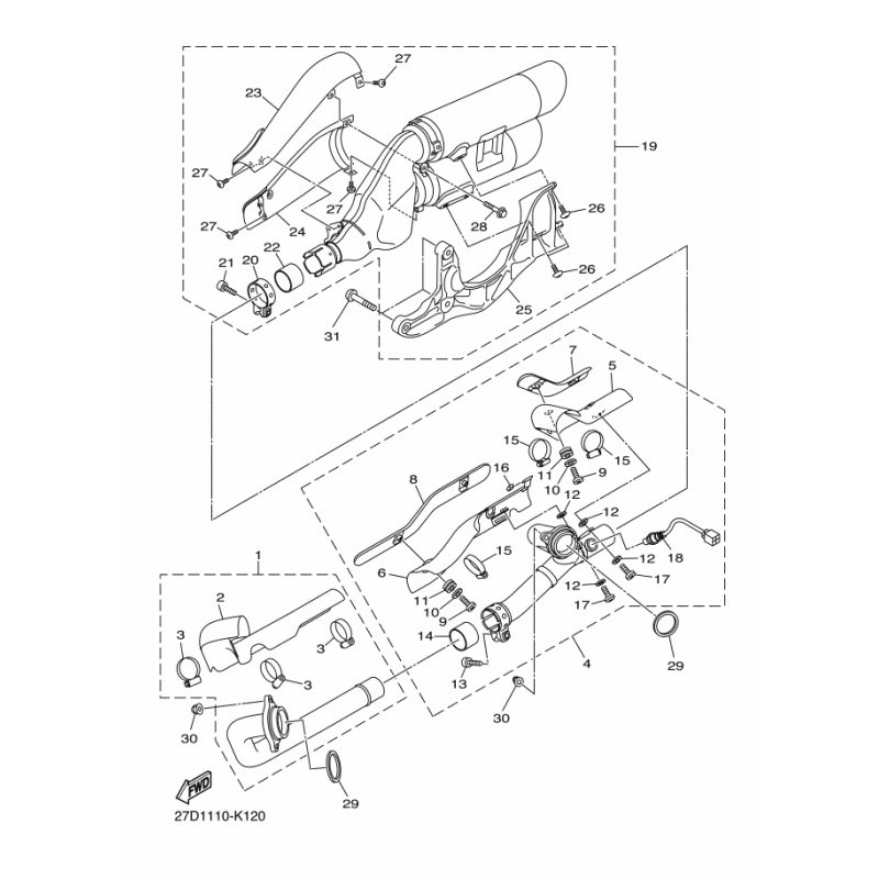
Hersteller: Yamaha
OEM Nummer: 1GP147581000






















