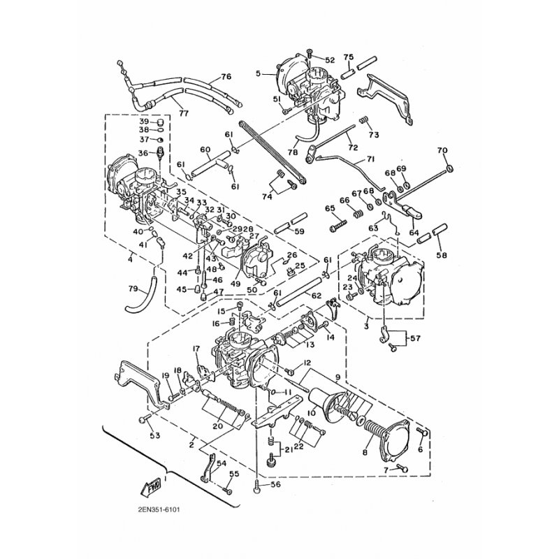
VERGASEREINHEIT 4
Artikelname: VERGASEREINHEIT 4
Hersteller: Yamaha
OEM Nummer: 1FK149040000
Dieser Artikel wurde durch folgenden ersetzt: 1JH149040100
Hersteller: Yamaha
OEM Nummer: 1FK149040000
Dieser Artikel wurde durch folgenden ersetzt: 1JH149040100






















