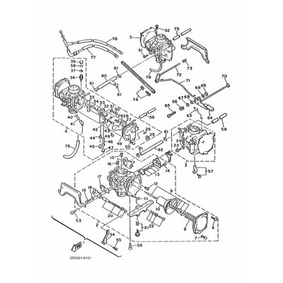
VERGASEREINHEIT 3
Artikelname: VERGASEREINHEIT 3
Hersteller: Yamaha
OEM Nummer: 1FK149030000
Dieser Artikel wurde durch folgenden ersetzt: 1JH149030100
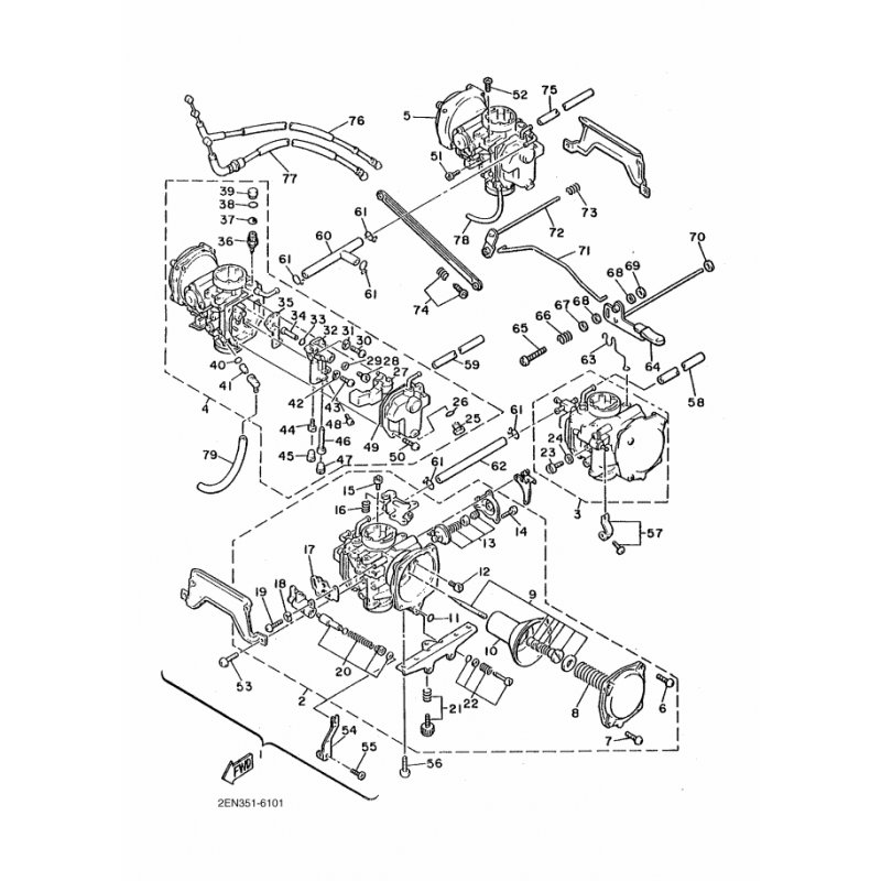
Hersteller: Yamaha
OEM Nummer: 1FK149030000
Dieser Artikel wurde durch folgenden ersetzt: 1JH149030100






















