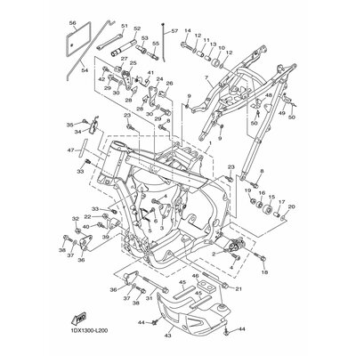
SPEZIALSCHEIBE 1
Artikelname: SPEZIALSCHEIBE 1
Hersteller: Yamaha
OEM Nummer: 1DX216150000
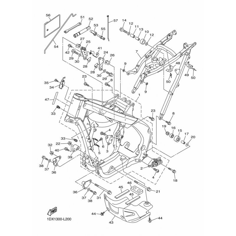
Hersteller: Yamaha
OEM Nummer: 1DX216150000






















