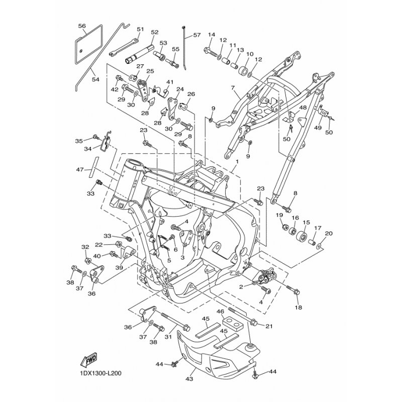
SPEZIALSCHEIBE
Artikelname: SPEZIALSCHEIBE
Hersteller: Yamaha
OEM Nummer: 1DX215150000
Hersteller: Yamaha
OEM Nummer: 1DX215150000






















