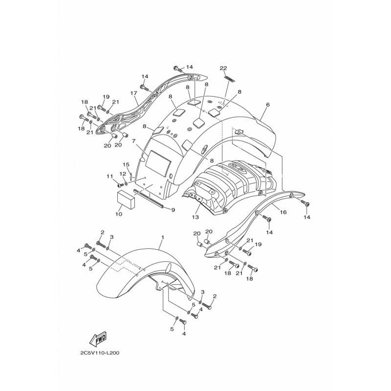
FORMTEIL, KRAFTSTOFFTANK
Artikelname: FORMTEIL, KRAFTSTOFFTANK
Hersteller: Yamaha
OEM Nummer: 1D7241880000
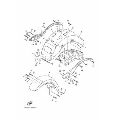
Hersteller: Yamaha
OEM Nummer: 1D7241880000






















